
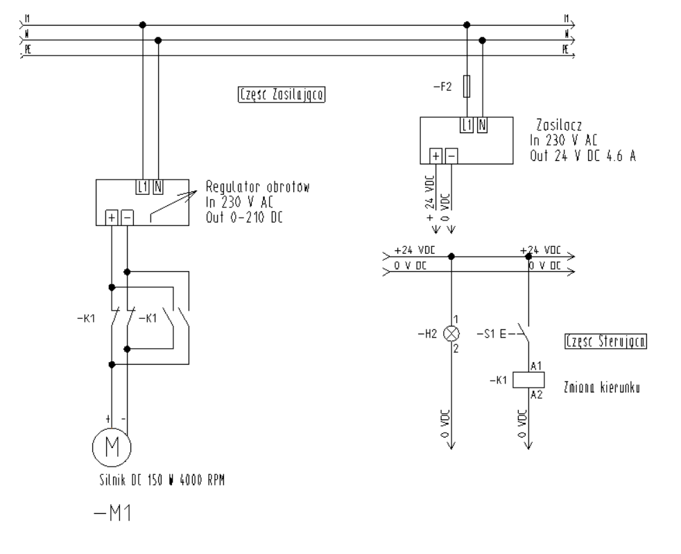
Opis:
Przycisk S1 : Zmiana Kierunku
Przekaźnik K1 : Zmiana Kierunku
Regulacja prędkości odbywa się przez pokrętło wbudowane w regulatorze w przedziale od 0-210V DC.



Filmik przedstawiający działanie tokarki .

Opis:
Przycisk S1 : Zmiana Kierunku
Przekaźnik K1 : Zmiana Kierunku
Regulacja prędkości odbywa się przez pokrętło wbudowane w regulatorze w przedziale od 0-210V DC.



Filmik przedstawiający działanie tokarki .